SEARCH FOR A PRODUCT
 
  Products



                   

                      

                      China Mainland

                      Tel: :+86-18820280205
                      Email: 
                      rose@yinghuachina.com
                      cj@yinghuachina.com
                      admin@yinghuachina.com 


                      Seattle, WA, USA
                      Tel.: +1 253 249 6608
                      Email: 

                      yinghua@yinghuachina.com


                      

                      ENTER LINKS                





                  Coin Cell Battery Holder - for Battery CR2032 - No.CR2032-7-1 All Products in Button Battery Holder  

                  * Name: 
                     
                  * First/Given Name
                  * Last/Family Name
                  * Business E-mail: 
                  Company Name: 
                  * Country/Territory: 
                  Contact Number: 
                  Country Code
                  Area Code
                  Telephone
                  Ext.
                  * Subject: 
                  * Message: 
                  Attach File: 
                  Code:    *
                   


                    Product Description

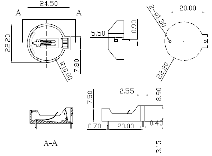
                  Coin Cell Battery Holder - for Battery CR2032 - No.CR2032-7-1

                  SPECIFICATION:
                  Housing: PBT V0+GF Black.
                  Contact: C2680
                  Contact resistance: 30mΩ (maximum)
                  Insulation resistance: 1000mΩ (minimum)
                  Dielectric voltage: 500V AV one sec level
                  Operating temperature: -55 to 105°C



                   

                    Product Information

                  Button battery holder, used for loading button battery, general welding on the PCB board, used in power supply module clock. Button battery holders use guides for the positive and negative pole pieces to fix and limit the convex flexing.
                  Battery holders are used for circuit board, electric toys, digital photo frame, electronic calendar, etc . digital products.


                  http://www.yinghuachina.com
                  http://www.yinghua-international.com
                  YINGHUA INTERNATIONAL (HK) LIMITED





                    Related Products

                  Coin Battery Holder - for Battery CR1225 - Gold Plating SMT type - No.CR1225-2-SMT
                  CR1225-2-SMT
                  Coin Battery Holder - for Battery CR2450 - No.CR2450-2
                  CR2450-2
                  Button Battery Holder SMT - For Battery CR1632 - No. CR1632-1
                  CR1632-1
                  SMT Battery Holder Connector - For Battery CR2032 - No.CR2032-5
                  CR2032-5-SMT
                  Button Cell Battery Connector - For Battery CR2032 - No.CR2032-10-1
                  CR2032-10-1
                  Battery Products - Coin Cell Battery Holder - for Battery CR2032 - No.CR2032-9
                  CR2032-9
                  Coin Cell Battery Holder - for Battery CR2032 - No.CR2032-7-1
                  CR2032-7-1
                  CR2032 Holder - Button batter Connector - No.CR2032-6-2
                  CR2032-6-2
                  Button Battery Holder - for Battery CR1220 - No.CR1220-3
                  CR1220-3
                  Battery Holder - for Battery CR1220 - No.CR1220-2
                  CR1220-2
                  Battery Holder Connector - for Battery CR1220 - No.CR1220-1
                  CR1220-1
                  Vertical Coin Cell Battery Holder - for Battery CR2032 - No.CR2032-11-1
                  CR2032-11-1
                   


                    Home
                    About YINGHUA
                    Products
                    New Products
                    Mold Casting
                    Contact Us
                    Site Map

                  E-Mail: admin@yinghuachina.com
                  Copyright 2015 YINGHUA INTERNATIONAL (HK) LIMITED All rights reserved. Add: No.2 Lianwei Street Longhua New District, Shenzhen, Guangdong, China 518109